Description
MC20 General Specifications

Robot Dimensions and Working Envelope

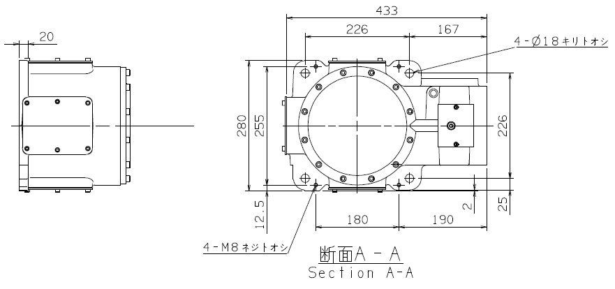
Faceplate Hole Pattern for Mounting End of Arm Tooling

Baseplate Mounting Information and Robot Footprint

Nachi’s MC20 Robot incorporates high speed, generous allowable wrist torque, high payload capacity, and linkless arm design to provide a new standard of functional performance. The MC20 robot achieves superior performance with improved high-speed motion and excellent positional accuracy. With a point to point repeatability of ± 0.06mm the MC20 offers 1722mm of horizontal reach. The slim base minimizes required floor space and provides floor or ceiling mounted options to further extend application possibilities and reduce work cell size. Compact arm design reduces interference with peripheral equipment and is also IP65 compliant. Internal air supply lines and signal cabling support numerous applications, optional internal pneumatic valves eliminate the need for shoulder-mounted valve packages.
____________________________________
Brochure (PDF) Detailed Technical Specification (PDF)



| Weight | 220 kg |
|---|---|
| Reach | 1722 |
| Payload | 20 |
| Application | Machine Tending, Material Handling, Palletizing, Dispensing |
| Mount | Floor, Wallmount, Invert/Ceiling Mount |